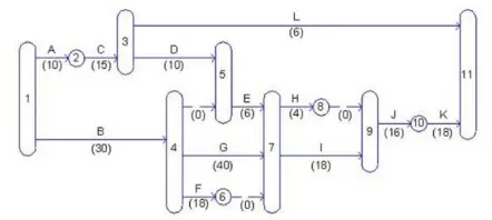
Hálóterv (CPM, PERT) Excel sablon
VÁSÁRLÁS
Projekt tervezés
Egy gépen használható CPM/PERT hálóterv és Gantt diagram Excel sablon
Kedvezmény nélküli ár6000 Ft
Projekt tervezés
Sok gépen használható CPM/PERT hálóterv és Gantt diagram Excel sablon
Kedvezmény nélküli ár9500 Ft
Talán az alábbi projekt sablonok is érdeklik!
A sablon segítségével 5 egyszerű lépéssel készíthető egy komplex, projekt idő-, költség- és likviditásterv.
Ez egy Gantt diagram rajzoló Excel sablon, amely a feladatok kezdetének (dátum) és időtartamának (napok) megadása után, automatikusan elkészül.
A projekt időtartama alatt keletkező cash-flow (be és kiáramló pénzek) alapján tervezhető a projekt finanszírozása. Táblázaton kívül diagramos megjelenítés is.

