MENEDZSMENT EXCEL ÉS GOOGLE SHEET SABLON TÁBLÁZATOK
Az itt kínált Excel és Google Sheet munkafüzetekkel könnyíteni szeretném az ügyvezetők, pénzügyi vezetők, QA- és projektmenedzserek tervezési, előrejelzési és ellenőrzési munkáját:" Az idő pénz" (Benjamin Franklin, 1736)
Valamennyi táblázat a 4 évtizedes vezetői és tanácsadói munkám során szerzett nézőpontot tükrözi!
Részletesen ...
Az üzleti tervek, előrejelzések, riportok sok-sok táblázatot tartalmaznak, amelyek általában Microsoft Excel vagy Google Sheet táblázatkezelővel készülnek. Ha nem ismeri az Office Excel és Google Sheet programozását elég mélyen, vagy kiesett a táblázatkezelőket készítő munkatársa, használja a sablonokat! Ha más az elképzelése, mint amit a sablon nyújt, rendeljen Excel táblázatot, programot, riportot egyedi igényre és én megvalósítom az elképzeléseit!
Valamely konkrét sablon "Részletesen & Vásárlás" gombjára kattintva a választott táblázatkezelő részletes oldalára kerül, ahol leíráson, videón vagy képeken keresztül ismerkedhet a munkafüzet működésével. Itt teheti kosárba a digitális terméket, amelyet egy letöltőlinken keresztül fog megkapni.
Valamely konkrét sablon "Részletesen & Vásárlás" gombjára kattintva a választott táblázatkezelő részletes oldalára kerül, ahol leíráson, videón vagy képeken keresztül ismerkedhet a munkafüzet működésével. Itt teheti kosárba a digitális terméket, amelyet egy letöltőlinken keresztül fog megkapni.
Az alábbi képgaléria csoportosítja a sablonokat. Érdeklődésének megfelelően KATTINTSON!
A sablonok és egyedi munkafüzetek jellemzői
Excel sablonok és egyedi munkafüzetek
- a sablonok EGYGÉPES és TÖBBGÉPES licenccel kaphatók,
- a képletek és makró (VBA) programok megóvása érdekében a munkalapok védettek,
- a felesleges sorok és oszlopok elrejthetők, amely a munkalap áttekinthetőségét javíthatja,
- a sorok, oszlopok, cellák formázhatók (magasság, szélesség, szín, betűtípus, betűnagyság), amellyel a táblázat esztétikus megjelenése biztosítható,
- részletes felhasználói útmutató,
- a kitöltendő sorok és oszlopok celláira húzott kurzorra megjelenő útmutató,
- az egyedi sablonok szükség szerint VBA programokat, Power Pivot és Power BI kimutatásokat tartalmaznak,
- egyes sablonok angol nyelven is elérhetők.
Google Sheet sablonok és egyedi munkafüzetek
- a sablonok több gépen futtathatók,
- lehetővé teszik, hogy egy időben többen dolgozzanak ugyanazon a táblázaton (pl. különböző adatok megadásáért más-más felelős),
- a felesleges sorok és oszlopok elrejthetők, amely a munkalap áttekinhetőségét javíthatja,
- a sorok, oszlopok, cellák formázhatók (magasság, szélesség, szín, betűtípus, betűnagyság), amellyel a táblázat esztétikus megjelenése biztosítható,
- az egyedi sablonok szükség szerint Google App Script programozást és Pivot kimutatásokat tartalmaznak,
- részletes felhasználói útmutató.
Olvassa el az idevágó blogbejegyzéseimet!
Térítéses Excel sablon táblázatok
Projekt terv sablonok
Projekt tervezés
Egy gépen használható Gantt diagram Excel sablon, mely a feladat kezdése, időtartama és készültsége adatai alapján automatikusan megrajzolja a feladatok idősávjait.
Részletek & Vásárlás
Részletek & Vásárlás
Projekt tervezés
A projekt likviditás tervező táblázatkezelő a projekt időtávjához tartozó cash-flow bázisán mutatja be a likviditás alakulását, amely a vállalati fiskális tervezés fontos bemenete.
Részletek & Vásárlás
Részletek & Vásárlás
Projekt tervezés
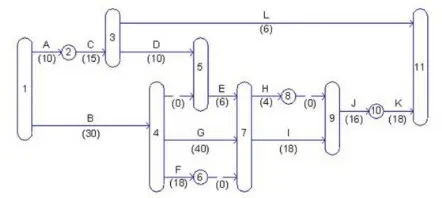
CPM/PERT hálóterv és Gantt diagram Excel sablon, amely biztosítja, hogy az adatok egyszeri bevitelével automatikusan elkészüljön a projekt hálóterve táblázatos és Gantt diagram formában.
Részletek & Vásárlás
Részletek & Vásárlás
Projekt tervezés
Ez a sablon biztosítja, hogy az adatok egyszeri bevitelével automatikusan elkészüljön a projekt idő-, költség- és likviditási terve. A többprojektes változat esetén a céglikviditása is tervezhető.
Részletek & Vásárlás
Részletek & Vásárlás
Ez a csomag a Gantt diagram és likviditási tervező Excel sablont tartalmazza jóval kedvezőbb áron mintha egyenként vásárolná meg ezeket. A megtakarítástöbb mint 25 %.
Részletek & Vásárlás
Részletek & Vásárlás
Projekt tervezés
Ez az Ártükör rendszer biztosítja a tender pályázatokra érkező ajánlatok egységes formai és tartalmi megjelenését és a pályázatok összehasonlítását.
Részletek & Vásárlás
Részletek & Vásárlás
Azonnali elérhetőség
Kedvezmény nélküli ár9000 Ft
Pénzügyi terv és kontrolling
Kontrolling, pü. tervezés
A táblázat egy beruházás vagy befektetés cashflowja alapján számolja annak megtérülését: az NPV és IRR mutatókat. A megtérülés számítás eredményei a vállalati üzleti- és pénzügyi tervezés adatait képezik.
Részletek & Vásárlás
Részletek & Vásárlás
Kontrolling, pü. tervezés
Az Excel sablon az ingatlan befektetés nettó jelenértékének alakulását egy azonos értékű pénzügyi befektetéssel hasonlítja össze. Eldöntheti, hogy érdemes-e befektetni!
Részletek & Vásárlás
Részletek & Vásárlás
Kontrolling, pü. tervezés
A cég likviditás terv Excel sablon a vevő-szállítói állomány, a várható bevételek, kiadások alapján tervezi a likviditást a tárgy- és további 4 vagy 12 hóra.
Részletek & Vásárlás
Részletek & Vásárlás
Kontrolling, pü. tervezés
Megtervezheti a cég bevételeit, költségeit, eszközeit és forrásait, melyekből összeáll a vállalat éves, havi profitkimutatása, a mérlege, és cash flow-ja is.
Részletek & Vásárlás
Részletek & Vásárlás
A könyv megmutatja, hogyan tud Excelben a pénzügyi tervből és a főkönyvből egy terv-tény alapú kontrolling endszert készíteni.
Részletesen & Vásárlás
Részletesen & Vásárlás
Kontrolling, pü. tervezés
Az Excel alapú KPI műszer három fajta, tetszőleges színű és skálájú műszer elkészítését teszi lehetővé az üzleti, menedzsment beszámolók, műszerfalak részére.
Részletek & Vásárlás
Részletek & Vásárlás
Kontrolling, pü. tervezés
Egy vállalat havi beszámolójának eredménykimutatása és mérlege alapján készíült KPI műszerfal bemutatja annak használatának lehetőségeit.
Részletek & Vásárlás
Részletek & Vásárlás
Csomagok
Pénzügyi terv (mérleg, eredménykim., cash-flow) és a beszámolókhoz alkalmazkató KPI múszerfal és műszer egy csomagban. A csomag értéke 15000 Ft.. Megtakarítás 5000 Ft.
Részletek & Vásárlás
Részletek & Vásárlás
Excel automatizálás
Excel automatizálás
VBA program két 5, 10 vagy 20 oszlopos Excel fájl egyesítésére egy közös kulcsoszlop segítségével.
Részletek & Vásárlás
Részletek & Vásárlás
Excel automatizálás
Ez a VBA program egy táblázat adott oszlopában talált adatot, vagy az adat sorában egy másik oszlopban lévő adatot kicserél egy másik adatra. A keresendő adatok és amire cserélni kell egy másik munkalapon találhatók.
Részletek & Vásárlás
Részletek & Vásárlás
Excel automatizálás
Ez az Excel automatizálási VBA program a felhasználó által megadott feltételek szerint eltolja a dátumokat a megadott napokkal előre vagy hátra
Részletek & Vásárlás
Részletek & Vásárlás
Excel automatizálás
Az általánosan használható Excel VBA automatizálási program egy hosszú fájl szélessé alakítását végzi el hatékonyan.
Részletek & Vásárlás
Részletek & Vásárlás
Excel automatizálás
Ez a VBA program megvizsgálja egy Excel táblázat adott tartománya celláinak formázása megfelelel-e a megadott formázásnak. A hibásan formázott cellákat megjelöli.
Részletek & Vásárlás
Részletek & Vásárlás
Excel automatizálás
Ez a billentyűkombinációra induló VBA program akár több ezer cellában pillanatok alatt elvégzi a megadott, korlátlan számú cserét egy munkalapon.
Részletek & Vásárlás
Részletek & Vásárlás
Excel automatizálás
Ez a VBA program megvizsgálja egy Excel táblázat rekordjait. Az ismétlődő rekordokat csoportosítja és sz egyes csoportokat különböző színekkel megjelöli.
Részletek & Vásárlás
Részletek & Vásárlás
Egyedi kívánság alapján a legbonyolultabb Excel táblát is elkészítem, vagy létező munkafüzetét továbbfejlesztem. VBA (Visual Basic for Application) automatizálási feladatokat is programozok. VBA, Power Pivot és Power BI eszközökkel üzleti riportokat készítek az különböző adatforrásokból.
Részletesen
Részletesen
Alkalmazások
Kisvállalkozóknak
A munkalapokra töltve egy év értékesítési- és készletadatait a modell elkészíti az ABC analízist és kiszámolja a tételek készletforgási sebességét. Ezek alapján optimalizálhatja készleteit!
Részletek & Vásárlás
Részletek & Vásárlás
Azonnali elérhetőség
Kedvezmény nélküli ár17000 Ft
Kisvállalkozóknak
A Humán erőforrás menedzsment (HEM) egy az alkalmazottak és a munkaerő keresés (toborzás) adatainak naprakész nyilvántartását és adatkezelést biztosító adatbázis.
Részletek & Vásárlás
Részletek & Vásárlás
Azonnali elérhetőség
Kedvezmény nélküli ár30000 Ft
Kisvállalkozóknak
Az oktatás menedzsment Excel VBA programmal tervezheti és követheti oktatási, képzési tevékenységét az Ügyfél, a Képzés és a Szerződés valamint a rendelésállomány, árbevételen keresztül.
Részletek & Vásárlás
Részletek & Vásárlás
Azonnali elérhetőség
Kedvezmény nélküli ár0 Ft
Kisvállalkozóknak
Egy pékség, cukrászat vevői igényei és a megadott receptek alapján készítheti el a pénzügyi tervet.
Részletek & Vásárlás
Részletek & Vásárlás
Azonnali elérhetőség
Kedvezmény nélküli ár15000 Ft
Kisvállalkozóknak
A sablonnal kiszámolható, hogy 30 különböző termék, különböző mennyiségű elkészítéséhez mennyi összetevőre (30 féle maximum) van szükség.
Részletek & Vásárlás
Részletek & Vásárlás
Kisvállalkozóknak
Tervezze meg 5 lépésben egy webáruház éves költségvetési tervét, eredménykimutatását és kulcs teljesytmény-mutatóit (KPI)!
Részletek & Vásárlás
Részletek & Vásárlás
Kisvállalkozóknak
A munkalapokra töltve egy év értékesítési- és készletadatait a modell elkészíti az ABC analízist és kiszámolja a tételek készletforgási sebességét. Ezek alapján optimalizálhatja készleteit!
Részletek & Vásárlás
Részletek & Vásárlás
Kis-adatbázisok, nyilvántartások
Kis adatbázisok
Egyéni igényei szerint elkészítem a professzionális adatbázisát Excelben vagy Accessben, amely beviteli űrlappal, lenyíló listákkal és Power Query lekérdezéssel működik.
Részletek & Vásárlás
Részletek & Vásárlás
Építse fel nyilvántartását, adatbázisát a 2 vagy 3 dimenziós (2D, 3D) proffesszionális adatbázis készítő Excel programmal.
Részletek & Vásárlás
Részletek & Vásárlás
Lean menedzsment
Lean menedzsment
Az FMEA (Failure Mode and Effecte Analysis), magyarul "Hibamód és hatáselemzés" egy a terméktervezés során használt hatékony eeszköz, amellyel az elkövethető hibák, hibák hatásai, a hibák okai és azk megelőzhetőségei térképezhetők fel.
Részletek & Vásárlás
Részletek & Vásárlás
Lean menedzsment
A Hoshin Kanri X mátrixdiagram Excel sablonnal hatékonyan tervezheti és bonthatja le stratégiára, feladatokra és felelősökre a küldetésből meghatározott célokat.
Részletek & Vásárlás
Részletek & Vásárlás
Lean menedzsment
A QFD, Quality Function Deployment, magyarul "Minőségi funkció telepítés" egy, a termék- és szolgáltatástervezés során használt hatékony eszköz, amellyel a vevői igényekhez rendeljük hozzá a részegységek, folyamatok és minőségbiztosítás követelményeit.
Részletek & Vásárlás
Részletek & Vásárlás
Lean menedzsment
Ez az Excel program a Hét menedzsment- és tervezőeszköz egyike, amellyel több vizsgált téma közötti kapcsolatokat lehet feltárni és ábrázolni. Ezzel a sablonnal 8 vagy 12 témát lehet vizsgálni.
Részletek & Vásárlás
Részletek & Vásárlás
Lean menedzsment
A Boston Consulting Group által 1968-ban kidolgozott mátrix adatelemzés még ma is az egyik legelterjdtebb stratégiai elemző eszköz, amely a termékek piaci részesedését és piaci növekedését vizsgálja.
Részletek & Vásárlás
Részletek & Vásárlás
Lean menedzsment
Ez az eszköz két vagy több elemkészlet közötti kapcsolatot mutatja.Itt öt különböző alakú mátrix érhető el: L, T, Y, X, és tető alakú, attól függően, hogy hány csoportot kell összehasonlítani
Részletek & Vásárlás
Részletek & Vásárlás
Ingyenes sablonok
Pénzügyi sablonok
Befektetés megtérülés kalkulátor
Ez a statikus megtérülés számítás a befektetés legfontosabb adatainak megadása után megadja a befektetés megtérülési idejéz.
Cégérték kalkulátor
Egy cég eredmény-kimutatásainak néhány adatának bevitelével EBITDA alapon kiszámolja egy cég értékét.
A bevételeket és a költségeket üzletágakra, termék- vagy vevőcsoportokra tervezheti.
Kisvállalkozóknak
Humán erőforrás nyilvántartó
Ez az adatbázis a munkatársak nyilvántartását teszi lehetővé. Az adatműveletek (új rekord, keresés, módosítás, törlés) űrlapon keresztül történik.
Anyagjegyzék (BOM) Excel sablon
Az anyagjegyzék (Bill of Material - BOM) egy olyan dokumentum, amely részletes listát tartalmaz egy összetett berendezés vagy termék összetevőiről és alkatrészeiről.
QA, Lean
Ez egy egyszerű, képletek nélküli FMEA (Failure Mode and Effecte Analysis), magyarul "Hibamód és hatáselemzés" táblázat.
Menedzsment eszközök
A 40 kérdést tartalmazó motivációs teszttel ellenőrizheti, hogy Ön teljesítmény, hatalom, biztonság vagy kapcsolat orientációval rendelkezik.
Ez az eszköz két vagy több elemkészlet közötti kapcsolatot mutatja. Itt 5 különböző alakú mátrix lehetséges: L, T, Y, X, és tető alakú, attól függően, hogy hány csoportot kell összehasonlítani.
Az Anhoff mátrix a mátrix adatelemzés egyik megvalósulása és arra szolgál, hogy a jelenlegi (régi) és új termékek, valamint a jelenlegi (régi) és új piacoktól függően milyen stratégiát alkalmazzunk.
VBA EXCEL automatizálás
BING indexelés kérés
Ezzel a programmal egy kattintással több URL indexelését kérheti a BING keresőjétől az IndexNow szolgáltatással.
A program a forrásfájl kiválasztott oszlopának egyedi értékei alapján több fájlt készít a forrásfájlból.
KPI, riportok
KPI a Power Pivot kimutatásban
Ez egy gyakorló Excel file, a KPI-k beszúrásara egy Power Pivot kimutatáson. A használati utasítás bemutatja az alkalmazás legfontosabb lépéseit.
Ezzel a munkafüzettel gyakorolhatja a Pivot tábla készítés különböző lehetőségeit és egy üzleti beszámoló műszerfal készítését.
A KPI fa a Teljes eszközhatékonyság (OEE) mutatószám Fa diagram alapu ok-okozati összeföggéseit mutatja be.






